
เสาไฟถนนกิ่งคู่แบบเรียว รุ่น SC52T (Triumph)
เสาไฟถนนรุ่น SC52T (ซีรีส์ Triumph) เป็นเสาไฟกิ่งคู่แบบเรียว (Double-Branch Tapered Pole)
ที่ออกแบบมาเพื่อการกระจายแสงสว่างครอบคลุมพื้นที่ได้กว้างขวางจากเสาต้นเดียว ปลายกิ่งมีขนาด 2.0 นิ้ว
รองรับการติดตั้งโคมไฟถนนมาตรฐานได้หลากหลายรุ่น ตัวเสาผ่านการชุบกัลวาไนซ์แบบจุ่มร้อน (Hot-dipped Galvanized)
ช่วยยืดอายุการใช้งานและทนทานต่อทุกสภาวะอากาศภายนอก
เหมาะสำหรับติดตั้งบริเวณเกาะกลางถนน สวนสาธารณะ หรือพื้นที่ลานจอดรถที่ต้องการความสว่างทั้งสองฝั่ง
จุดเด่นของสินค้า
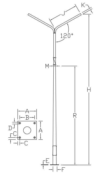
ข้อมูลจำเพาะทางเทคนิค



-
รุ่นความสูง 4.0 - 7.0 เมตร
-
SC52T/400-100: สูง (H) 4.0 m | ขนาดโคน (F) 100 mm | ปลายกิ่ง (M) 60 mm | ระยะยื่น (J) 1000 mm
-
SC52T/500-100: สูง (H) 5.0 m | ขนาดโคน (F) 113 mm | ปลายกิ่ง (M) 60 mm | ระยะยื่น (J) 1000 mm
-
SC52T/600-150: สูง (H) 6.0 m | ขนาดโคน (F) 127 mm | ปลายกิ่ง (M) 60 mm | ระยะยื่น (J) 1500 mm
-
SC52T/700-200: สูง (H) 7.0 m | ขนาดโคน (F) 141 mm | ปลายกิ่ง (M) 60 mm | ระยะยื่น (J) 2000 mm
-
-
รุ่นความสูง 8.0 - 10.0 เมตร
-
SC52T/800-200: สูง (H) 8.0 m | ขนาดโคน (F) 156 mm | ปลายกิ่ง (M) 60 mm | ระยะยื่น (J) 2000 mm
-
SC52T/900-200: สูง (H) 9.0 m | ขนาดโคน (F) 170 mm | ปลายกิ่ง (M) 60 mm | ระยะยื่น (J) 2000 mm
-
SC52T/1000-250: สูง (H) 10.0 m | ขนาดโคน (F) 179 mm | ปลายกิ่ง (M) 60 mm | ระยะยื่น (J) 2500 mm
-
-
รุ่นความสูง 11.0 - 14.0 เมตร
-
SC52T/1100-250: สูง (H) 11.0 m | ขนาดโคน (F) 190 mm | ปลายกิ่ง (M) 60 mm | ระยะยื่น (J) 2500 mm
-
SC52T/1200-250: สูง (H) 12.0 m | ขนาดโคน (F) 209 mm | ปลายกิ่ง (M) 60 mm | ระยะยื่น (J) 2500 mm
-
SC52T/1400-250: สูง (H) 14.0 m | ขนาดโคน (F) 238 mm | ปลายกิ่ง (M) 60 mm | ระยะยื่น (J) 2500 mm
-
สินค้าที่คุณอาจสนใจ
ดูทั้งหมด
เสาไฟถนนกิ่งคู่แบบเรียว รุ่น SC62 มาตรฐาน มอก. 2316-2549

เสาไฟถนนกิ่งเดี่ยวแบบเรียว รุ่น SC61 (Triumph) มาตรฐาน มอก. 2316-2549

เสาไฟถนนแบบเรียว รุ่น SC60 (Triumph) มาตรฐาน มอก. 2316-2549
